Baru 48 Skema Pcb Power Amplifier Ocl 150 Watt Paling Modern Dan Nyaman, Skema Pcb
Poin pembahasan Baru 48 Skema Pcb Power Amplifier Ocl 150 Watt Paling Modern Dan Nyaman, Skema Pcb adalah :
Baru 48 Skema Pcb Power Amplifier Ocl 150 Watt Paling Modern Dan Nyaman, Skema Pcb. Berikut Penjelasan lengkap tentang fungsi komponen-komponen skema pcb dari yang aktif hingga pasif, prinsip cara kerjanya serta simbol yang wajib difahami. Perhatikan komponen skema pcb jenis resistor berikut yang dilengkapi dengan gambar. Simak ulasan terkait skema pcb dengan artikel Baru 48 Skema Pcb Power Amplifier Ocl 150 Watt Paling Modern Dan Nyaman, Skema Pcb berikut ini

RANGKAIAN AMPLIFIER OCL 150 WATT RISET ELEKTRONIK CENTER Sumber : arissetiawankkpimugatav2.blogspot.com

Modif OCL 150Watt Menjadi 400Watt AudioShare Sumber : sites.google.com

Rangkaian 150 Watt OCL Amplifier Koleksi Skema Rangkaian Sumber : elektroarea.blogspot.com

OCL 150 W Modifikasi Suara Semakin Mantap Pojok Elektronik Sumber : pojokelektronika.wordpress.com

Putra Rangkaian Power Amplifier OCL 150 watt Sumber : putra1998.blogspot.com

POWER AMPLIFIER OCL 150 WATT axvero onliners Sumber : axvero.blogspot.com

skema power ocl 550 watt jualpowerelektro Sumber : jualpowerelektro.wordpress.com

paimosubroto MEMBUAT SPEAKER AKTIF ATAU AMPLIFIER DENGAN Sumber : paimosubroto.blogspot.com

Skema OCL 150 Watt in 2020 Hifi amplifier Audio Sumber : www.pinterest.com
skema layout ocl 150 watt, skema ocl 150 watt mono, power supply amplifier ocl 150 watt, skema ocl 150 watt stereo, cara merakit power amplifier ocl 150 watt mono, layout ocl 150 watt mono, cara merakit power ocl 150 watt mono, layout power ocl 150 watt,

Utak atik ocl 150watt manteepp Blog nya Orang Elektro Sumber : faisalbungkarno.blogspot.com

Rangkaian Amplifier OCL 150 Watt Beserta Layout Sumber : e-belajaronline2.blogspot.com

Skema OCL 150w Stereo Power Amplifier Sumber : elektro-hoby.blogspot.com

CAFE ELECTRONIC 150watt OCL Power Amplifier Sumber : cafe-electronic.blogspot.com

Modifikasi OCL 150 Watt AudioShare Sumber : sites.google.com

Rangkaian Power Amplifier OCL 150 Watt Skemaku com Sumber : skemaku.com
skema layout ocl 150 watt, skema ocl 150 watt mono, power supply amplifier ocl 150 watt, skema ocl 150 watt stereo, cara merakit power amplifier ocl 150 watt mono, layout ocl 150 watt mono, cara merakit power ocl 150 watt mono, layout power ocl 150 watt,
Baru 48 Skema Pcb Power Amplifier Ocl 150 Watt Paling Modern Dan Nyaman, Skema Pcb. Berikut Penjelasan lengkap tentang fungsi komponen-komponen skema pcb dari yang aktif hingga pasif, prinsip cara kerjanya serta simbol yang wajib difahami. Perhatikan komponen skema pcb jenis resistor berikut yang dilengkapi dengan gambar. Simak ulasan terkait skema pcb dengan artikel Baru 48 Skema Pcb Power Amplifier Ocl 150 Watt Paling Modern Dan Nyaman, Skema Pcb berikut ini

RANGKAIAN AMPLIFIER OCL 150 WATT RISET ELEKTRONIK CENTER Sumber : arissetiawankkpimugatav2.blogspot.com
RANGKAIAN POWER Cara Modif Power Amp OCL Agar Watt Bass
24 06 2020 Dari sekian banyak rangkain pcb power amplifier yang di jual di pasaran mulai dari jenis merek atau pun bentuk Ada power amplifier OCL dan power amplifier BTL ada power amplifier stereo dan ada juga power amplifier mono Untuk semua jenis power amplifier di atas kwalitas audio suaranya memang di desain dengan kelas yang standar bisa di bilang gak neko neko

Modif OCL 150Watt Menjadi 400Watt AudioShare Sumber : sites.google.com
Skema Power Ampli OCL 300 watt dan 150 watt Mono Gambar
Power Amplifier OCL 150 Watt adalah sebuah power amplifier yang sekarang ini sangat digemari dan banyak dipakai untuk audio di rumah rumah Selain harganya yang relatif terjangkau kualitas suaranya pun bisa dibilang lumayan untuk para pecinta audio

Rangkaian 150 Watt OCL Amplifier Koleksi Skema Rangkaian Sumber : elektroarea.blogspot.com
Rangkaian Power Amplifier OCL 150W
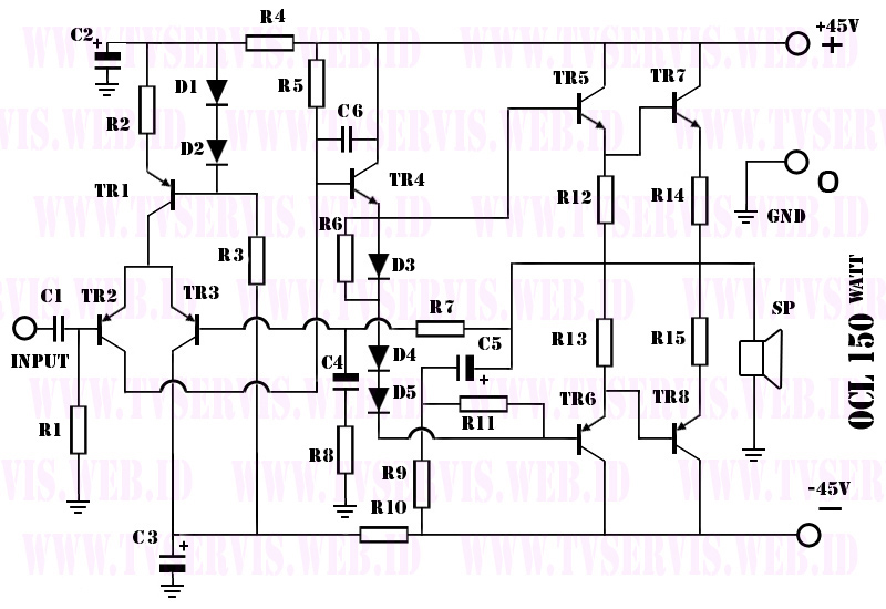
Rangkaian power amplifier OCL 150W ini merupakan rangkaian amplifier kelas AB PCB untuk rangkaian power amplifier OCL 150W ini dapat dibeli di toko elektronika dengan beberapa merk Power supply untuk power amplifier OCL 150W ini adalah tegangan DC simetris dari 25 Volt sampai 42 Volt yang dapat dibuat dengan power supply simetris pada artikel sebelumnya

OCL 150 W Modifikasi Suara Semakin Mantap Pojok Elektronik Sumber : pojokelektronika.wordpress.com
Rangkaian Amplifier OCL 150 Watt Beserta Layout Buka Elektro
Cara Membuat Amplifier OCL 150 Watt Beserta Layout Design Hehe kali ini saya akan membahas mengenai ampli lagi karna sebelumnya saya telah menulis Rangkaian Amplifier 18 Watt IC LA4440 Lengkap Silahkan baca saja bagi yang mau baca Rangkaian ini telah diujicobakan oleh saya sendiri dan hasilnya berhasil 100 jika anda teliti membuatnya

Putra Rangkaian Power Amplifier OCL 150 watt Sumber : putra1998.blogspot.com
Power Amplifier OCL 150 Watt Edukasi Elektronika
Power amplifier OCL 150 watt memiliki daya atau power yang lebih dari cukup untuk menguatkan sinyal audio dalam sebuah ruangan Berikut adalah contoh kit power amplifier OCL 150 Watt Kit Power Amplifier OCL 150 Watt Skema rangkaian power OCL 150 watt diatas menggunakan transistor power TIP3055 dan TIP2955 untuk lebih jelasnya dapat dilihat

POWER AMPLIFIER OCL 150 WATT axvero onliners Sumber : axvero.blogspot.com
Amplifier Ruangan OCl 150 Watt Lengkap Dengan Cara

skema power ocl 550 watt jualpowerelektro Sumber : jualpowerelektro.wordpress.com
Cara Modif Power ocl 150 Watt untuk Subwoofer agar Suara
Rangkaian power amplifier OCL 300 watt dan 150 watt Dari skema ocl 300 watt mono diatas kita dapat melihat daftar komponen yang digunakan memang sudah nampak jelas nilai masing masing yang dapat dibaca dengan menemukan kecocokannya Juga komponen yang digunakan sangat umum sehingga mudah ditemukan di pasaran di toko elektronik pasti

paimosubroto MEMBUAT SPEAKER AKTIF ATAU AMPLIFIER DENGAN Sumber : paimosubroto.blogspot.com
RANGKAIAN POWER Skema Layout PCB OCL 500Watt
28 07 2020 SKEMA APEX P A H900 Skema PCB amplifier TDA7294 2x100Watt Skema Layout PCB OCL 500Watt Rangkaian 600 Watt Darlington Power Amplifier Rangkaian Power Amplifier Blazer 1000 Watt Rangkaian Power Amplifier 2000 Watt Sound System Rangkaian Amplifier Spirit Rangkaian Amplifier 400W MOSFET Rangkaian Mosfet yang banyak disukai Cara mem bridge

Skema OCL 150 Watt in 2020 Hifi amplifier Audio Sumber : www.pinterest.com
POWER AMPLIFIER OCL 150 WATT
Sampai saat ini saya belum menemukan power amplifier rakitan yang lebih bagus dari amplifier ini Rangkaian paling sederhana dan harga murah meriah Daya output bisa disesuaikan dengan nilai supply nya kecil sekitar 70 Watt dengan supply 32V ct pada 8 ohm satu speaker dan bisa 150W pada 4 ohm 2 speaker POWER OCL 150 WATT Rangkaian ini
skema layout ocl 150 watt, skema ocl 150 watt mono, power supply amplifier ocl 150 watt, skema ocl 150 watt stereo, cara merakit power amplifier ocl 150 watt mono, layout ocl 150 watt mono, cara merakit power ocl 150 watt mono, layout power ocl 150 watt,

Utak atik ocl 150watt manteepp Blog nya Orang Elektro Sumber : faisalbungkarno.blogspot.com
Rangkaian Power Amplifier OCL 150 Watt Skemaku com
Skema rangkaian power amplifier OCL 150 Watt Contoh PCB Amplifier OCL 150 Watt Pada transistor bagian final yaitu 2N3055 dan MJE2955 dapat diganti dengan TIP3055 dan TIP2955 tegangan power supply yang digunakan adalah power supply jenis simetris yang mana terdapat tegangan minus dan

Rangkaian Amplifier OCL 150 Watt Beserta Layout Sumber : e-belajaronline2.blogspot.com

Skema OCL 150w Stereo Power Amplifier Sumber : elektro-hoby.blogspot.com

CAFE ELECTRONIC 150watt OCL Power Amplifier Sumber : cafe-electronic.blogspot.com

Modifikasi OCL 150 Watt AudioShare Sumber : sites.google.com
Rangkaian Power Amplifier OCL 150 Watt Skemaku com Sumber : skemaku.com
0 Comments